Характеристики
| Пользовательские характеристики | |
|---|---|
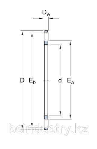
| Bore diameter | 25 |
| Classification level 1 | Roller bearing |
| Classification level 2 | Needle thrust |
| Net weight | 0,007 |
| Outside diameter | 42 |
| Ширина | 2 |
| Официальный сайт компании BC Industry | https://bearing.kz |
| Склад | 4 |
Информация для заказа
- Цена: 2 975 ₸


