Каталог
7314 BEGBY подшипник SKF
182 095
тенге
Остаток: 0
Количество
Добавьте в корзину один или несколько товаров, и получите коммерческое предложение
Краткое описание
7314 BEGBY подшипник SKF
Характеристики
| Категория | Шарикоподшипник |
| Класс допуска размеров | Class 6 (P6) |
| Подкатегория | Радиально-упорный |
| Масса нетто, кг | 2.67 |
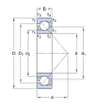
| Внутренний диаметр (d), мм | 70 |
| Наружный диаметр (D), мм | 150 |
| Базовая динамическая грузоподъёмность, кН | 127 |
| Базовая статическая грузоподъёмность, кН | 98 |
| Предельная частота вращения, об/мин | 5600 |
| Класс качества SKF | SKF Explorer |
| Число рядов | 1 |
| Фиксирующий элемент на наружном кольце | Без |
| Сепаратор | Brass sheet metal |
| Согласованный монтаж | Нет |
| Ширина (B), мм | 35 |
| Материал подшипника | Подшипниковая сталь |
| Покрытие | Без |
| Уплотнение | Без |
| Смазка | Без |
| Возможность пополнения смазки | Без |
| Размер фаски (r), мм | 2.1 |
| Класс ISO допусков размеров | P6 |
| Диаметр заплечика вала, мин., мм | 82 |
| Диаметр заплечика корпуса, мм | 143 |
| Радиус галтели, мм | 2 |
| Предел выносливости (P_u), кН | 3.9 |
| Возможна реставрация (SKF REP) | Нет |
| SKF тип (z11) | BA1 |
| SKF подтип (z12) | BC |
| SKF уплотнение (z14) | C |
| Угол контакта (α), ° | 40 |
| Тип контакта | Normal contact (two-point contact) |
| Тип колец | One-piece inner and outer rings |
| Расположение углов контакта | Medium preload |
| Универсальное парное применение | Да |
| Осевой внутренний зазор | Not applicable |
| Расстояние между точками нагрузки, мм | 64 |
Аналоги 7314 BEGBY подшипник SKF от других производителей
Ниже перечислены прямые эквиваленты этого товара от других производителей подшипников и промышленных компонентов. Характеристики, размеры и область применения совпадают с оригиналом SKF.
| Артикул / обозначение | Производитель | Страна |
|---|---|---|
| 7314BUO | FAG | Schaeffler, Германия |
| 7314BGB | NSK | Япония |
| 7314BGB | NTN | Япония |
| 7314BGB | Timken | США |
| 7314BGB | Koyo / JTEKT | Япония |
| 7314BGB | ZKL | Чехия |
Не нашли нужный аналог? Напишите нам артикул вашего производителя — подберём прямую замену SKF:
Наличие на складах
-
Основной склад (Алматы, Алатауский район,
микрорайон Шанырак-1, улица Отемисулы, дом 164)
телефон: 8(727) 250 57 75
